Logo Jake Brake

Jacobs® Kit de Afinación 013950, Modelos 25, 25B, 30, 30E, 400, 400H

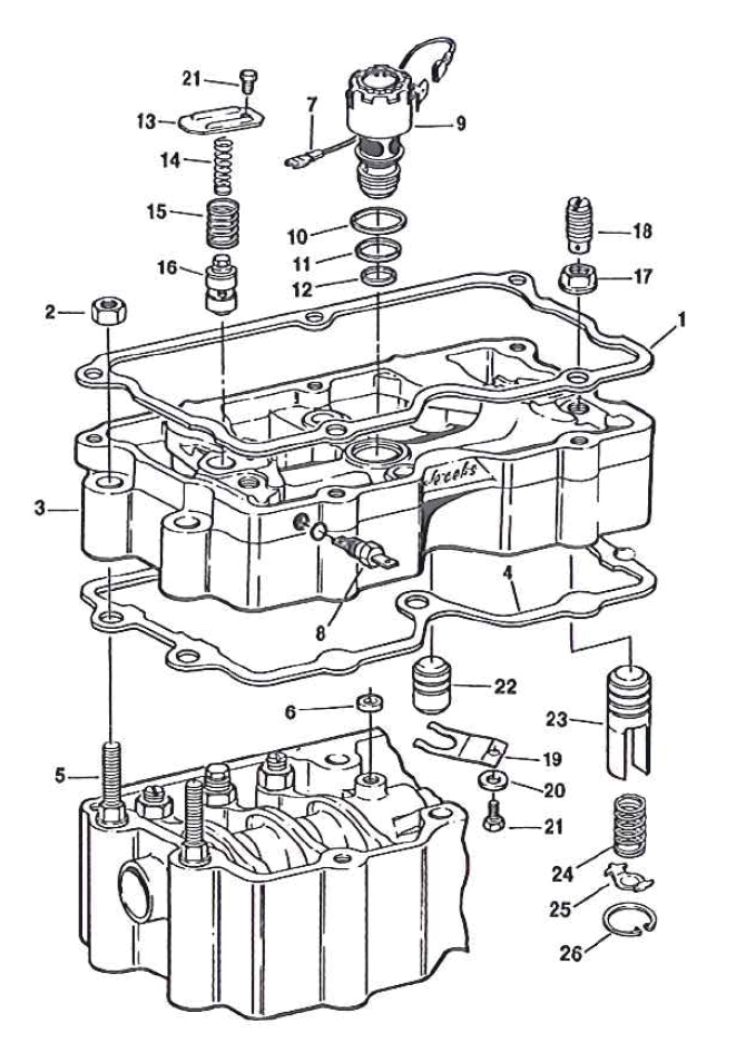
Kit 013950 Completo Ilustración Principal
CONTENIDO DEL KIT DE AFINACION
Imagen Contenido
Ilust.
No.
N/P Nombre de Parte Cantidad
por Kit
1 013756 Junta, Tapa de Válvula 3
4 002610 Junta, Carcasa del Freno 3
6 010180 Anillo de Sellado 3
7 002390 Arnés, Solenoide 3
8 017657 Conjunto de Terminales con Junta Tórica 3
10 001081 Anillo de Junta Superior 3
11 001082 Anillo de Junta Central 3
12 001083 Anillo de Junta Inferior 3
14 007500 Resorte Interior - 30E, 400, 400H 6
14 001518 Resorte Interior - 25, 25B, 30 6
15 001519 Resorte Exterior 6
16 039022 Válvula de Control 6
19 011841 Resorte Plano - 25, 25B 6
19 007447 Resorte Plano - 30, 30E, 400, 400H 6
20 001030 Lavador 6
21 001492 Tornillo Prisionero 12
NI 016467 Receptáculo 3
NI 014646 Junta, Enfriador de Admisión de Aire 1
NI 014647 Junta, Admisión de Aire sin Posenfriador 1
NI 017653 Instructivo 1
Información General

Estas instrucciones describen cómo desmontar, limpiar y volver a instalar correctamente los componentes de Jacobs Engine Brake.

Utilice disolvente de limpieza aprobado por OSHA para limpiar las piezas.

Las piezas originales que se vayan a reutilizar deben inspeccionarse para comprobar su desgaste y sustituirse según sea necesario.

Asegúrese de recubrir las piezas con aceite de motor limpio al reinstalarlas.

Utilice gafas de seguridad cuando esté indicado.

Precauciones de Seguridad

Los siguientes símbolos en este manual, señalan condiciones potencialmente peligrosas para el mecánico o el equipo.

Lea atentamente este manual.

A continuación, tome las medidas necesarias para proteger tanto al personal como al equipo.

Cuidado

ESTE SÍMBOLO ADVIERTE DE POSIBLES LESIONES PERSONALES.

Precaución

ESTE SÍMBOLO SE REFIERE A POSIBLES DAÑOS EN EL EQUIPO.

Anotación

INDICA UNA OPERACIÓN, PROCEDIMIENTO O INSTRUCCIÓN QUE ES IMPORTANTE PARA UN SERVICIO CORRECTO.

Los combustibles, los equipos eléctricos, los gases de escape y las piezas del motor en movimiento presentan riesgos potenciales que pueden provocar lesiones personales.

Tenga cuidado al instalar equipos o piezas.

Utilice siempre gafas de seguridad.

Utilice siempre las herramientas adecuadas y siga los procedimientos indicados en este manual.

Instrucciones
Cuidado

NUNCA DESMONTE O AJUSTE NINGÚN FRENO MOTOR O COMPONENTE CON EL MOTOR EN MARCHA.

Acceso al Freno de Motor
  1. Limpiar a fondo el motor.

  2. Retire la conexión del colector de admisión de aire y deseche las juntas.

  3. Desconectar las conexiones eléctricas de los cárteres del freno motor.

  4. Desmonte en este orden: las tapas de las palancas basculantes, las tuercas de sujeción de los cárteres (2) y los cárteres de los frenos del motor (3).

  5. Retire y deseche las juntas del alojamiento del freno motor y las juntas de la tapa del balancín (1, 4) y los anillos de sellado de aceite (6) de la parte inferior de los alojamientos.

Desmontar Carcasas
  1. Retire el arnés del solenoide (7) y la válvula (9); deseche el arnés y los tres anillos de sellado (10, 11, 12).

  2. Retire y deseche los conjuntos de salida de terminales (8).
    Cuidado

    LAS TAPAS DE LAS VÁLVULAS DE CONTROL (13) ESTÁN BAJO TENSIÓN DE LOS RESORTES DE LAS VÁLVULAS DE CONTROL (14, 15). RETIRE LAS CUBIERTAS CON CUIDADO Y USE GAFAS DE SEGURIDAD.



  3. Mantenga presionada la tapa de la válvula de control mientras retira el tornillo prisionero. Retire y deseche los resortes, las válvulas de control (16) y los tornillos prisioneros (21). Guarde las tapas de las válvulas de control.

  4. Desmonte el pistón maestro (22); deseche el muelle plano (19), la arandela (20) y el tornillo prisionero (21). Guarde el pistón maestro.
    Cuidado

    LOS PISTONES ESCLAVOS (23) ESTÁN RETENIDOS POR MUELLES PESADOS (24). PARA EVITAR LESIONES AL DESMONTAR EL PISTÓN ESCLAVO, UTILICE HERRAMIENTAS ADECUADAS Y LLEVE GAFAS DE SEGURIDAD.



  5. Retire la contratuerca (17) del tornillo de ajuste del pistón esclavo (18) y afloje el tornillo hasta que el pistón esclavo esté completamente retraído.

  6. Instale la herramienta del pistón esclavo N/P 017397 (Fig. 2) con el tornillo de ajuste introducido en el orificio de la herramienta.
    Herramienta de Apoyo
  7. Comprima el muelle del pistón esclavo y retire el anillo de sujeción (26).

  8. Retire el retén (25), el muelle, el pistón esclavo y el tornillo de ajuste.

Montaje de Carcasas
  1. Limpie las carcasas y todas las piezas con un disolvente de limpieza aprobado.

    Secar con aire comprimido.

  2. Recubra todas las piezas que se van a instalar en los soportes con aceite cleanlube.

  3. Instale el pistón esclavo original, invirtiendo el procedimiento de desmontaje.
    Anotación

    ANTES DE DESMONTAR LA FIJACIÓN DEL PISTÓN ESCLAVO, GIRE EL ANILLO DE RETENCIÓN 90° CON RESPECTO A LA RANURA DE LA CARCASA.

  4. Retire la fijación e instale la tuerca de ajuste.

  5. Instalar válvulas de control y muelles nuevos.

    Utilizar tapas de válvulas de control originales y tornillos nuevos.

  6. Instale los pistones maestros originales con nuevos muelles planos, arandelas y tornillos prisioneros.
    Anotación

    AL APRETAR LOS TORNILLOS, ASEGÚRESE DE QUE LAS PATAS DEL MUELLE ESTÉN CENTRADAS ALREDEDOR DEL SALIENTE DEL PISTÓN PRINCIPAL.

  7. Instale el anillo de sellado inferior (el más pequeño) de la electroválvula en el fondo del orificio de la electroválvula y los anillos de sellado superior y central en la electroválvula.

    Inserte la electroválvula en el orificio. Apriete a 5 lbft. o 60 lbin.(7 Nm).

  8. Instale un nuevo terminal en cada carcasa.

    Apriete con una llave de caja de seis puntas hasta que quede asentado.

  9. Conecte el nuevo mazo de cables de la electroválvula al conjunto de terminales de salida.
    Anotación

    SI EL CONECTOR DEL CABLE DEL SOLENOIDE NO ES DEL TIPO CORRECTO, SUSTITÚYALO POR LOS DEL KIT.

Instalar Carcasas de Freno Motor
  1. Instale el anillo de sellado de aceite en la parte inferior de la carcasa.

  2. Colocar las juntas del freno motor en los alojamientos de las palancas basculantes.

    Colocar las carcasas de los frenos de motor en las carcasas de las palancas oscilantes.

  3. Instale las tuercas de sujeción de la carcasa. Apriete las tuercas a60 lbft. (80 Nm), siguiendo la secuencia mostrada en la Figura siguiente.

    Figura 3

Ajuste de Pistón Esclavo
Anotación

REALICE LOS AJUSTES DEL PISTÓN ESCLAVO CON EL MOTOR PARADO Y FRÍO. LAS VÁLVULAS DE ESCAPE DEBEN ESTAR EN POSICIÓN CERRADA (CRUCETAS SUELTAS)



  1. Introduzca la galga de espesores de 0,46 mm (0,018 pulg.), ref. 003087, entre la cruceta y el pistón esclavo.

    Gire el tornillo de ajuste del pistón esclavo hasta que sienta una ligera resistencia en la galga de espesores.

    Véase la Figura Abajo.

  2. Sujete el tornillo de ajuste y apriete la contratuerca.

    Apriete los modelos 30E más antiguos con tornillos de 3/8 - 24 a 16 lbft. (22Nm); todos los demás modelos y 30E con tornillos de 1/2 - 20, deben apretarse a 25 lbft. (35 Nm).

  3. Ajuste la holgura en los cilindros restantes en orden de encendido.

    Ajuste de Pistones
Finalizar la Instalación del Freno Motor
  1. Conecte los cables conductores a los conjuntos de salida de cable en el exterior de las carcasas.

  2. Instale nuevas juntas de palanca de balancín y tapas de palanca de balancín; apriete los tornillos.

  3. Instale la nueva junta del colector de admisión de aire y la conexión de admisión de aire.

Garantía Limitada de Piezas de Recambio Jacobs®

Las piezas de repuesto Jacobs® Engine Brake, productos del sistema Jacobs® Vehicle System, se venden con la siguiente garantía: Las piezas de repuesto Jacobs® Engine Brake están garantizadas contra defectos de fabricación y funcionamiento en condiciones normales de uso y servicio durante los períodos de cobertura de la garantía que se indican a continuación.

NO EXISTEN DECLARACIONES NI GARANTÍAS QUE SE EXTIENDAN MÁS ALLÁ DE LOS TÉRMINOS DEL PRESENTE DOCUMENTO O DE LA DESCRIPCIÓN DEL PRODUCTO.

Cobertura de la garantía:

Las piezas de repuesto están garantizadas por 1 año o 100.000 millas (160.926 km), lo que ocurra primero.

En virtud de esta garantía, nuestra fábrica está obligada a sustituir, sin cargo alguno, cualquier pieza devuelta a nosotros que nuestro examen revele a nuestra satisfacción que ha sido defectuosa dentro del período de cobertura de la garantía medido a partir de la fecha de entrega del producto en cuestión al usuario original.

Jacobs® también pagará todas las reparaciones de componentes dañados del motor en los que se hayan instalado correctamente piezas de repuesto Jacobs®, siempre que se demuestre que el daño es consecuencia directa de un defecto de las piezas de repuesto Jacobs® que se haya producido en condiciones normales de funcionamiento durante los periodos de cobertura de la garantía especificados anteriormente.

Esta garantía no se aplicará a ninguna pieza o piezas que hayan sido modificadas o reparadas fuera de nuestra fábrica o de los centros de servicio de distribuidores autorizados de Jacobs®, ni a piezas que hayan sido objeto de uso indebido, abuso, negligencia o accidente, ni a piezas que hayan sido aplicadas o instaladas incorrectamente.

LA ÚNICA RESPONSABILIDAD DE JACOBS® Y SU RECURSO EXCLUSIVO, SE LIMITAN A LAS OBLIGACIONES ESTABLECIDAS EN EL PRESENTE DOCUMENTO, Y JACOBS® NO SERÁ RESPONSABLE DE NINGÚN DAÑO ESPECIAL, INDIRECTO O CONSECUENTE.